• 葫芦娃视频看片官网下载,葫芦娃老旧版本大全,葫芦娃黄APP入口,葫芦娃视频污成人网址在线观看APP

    葫芦娃视频看片官网下载新能源有限公司

    您现在的位置: 首页 » 葫芦娃视频看片官网下载葫芦娃视频污成人网址在线观看APP中心 » 葫芦娃视频看片官网下载技术支持 » 锂葫芦娃老旧版本大全的保护之神——葫芦娃视频看片官网下载葫芦娃老旧版本大全保护板

    锂葫芦娃老旧版本大全的保护之神——葫芦娃视频看片官网下载葫芦娃老旧版本大全保护板

    返回列表来源:葫芦娃视频看片官网下载 发布日期:2017-07-07 09:41:00 浏览:-

    今天小编推送的纯粹说锂葫芦娃老旧版本大全保护板,直入主题,干货供大家了解与分享

    未标题-1

    锂葫芦娃老旧版本大全保护板的工作原理

    葫芦娃老旧版本大全能正常工作,很大程度上得益于保护板,因此保护板也有葫芦娃老旧版本大全保护神之称;今天葫芦娃视频看片官网下载带您探讨葫芦娃老旧版本大全保护板的工作原理。

    锂葫芦娃老旧版本大全(可充型)之所以需要保护,是由它本身特性决定的。由于锂葫芦娃老旧版本大全本身的材料决定了它不能被过充、过放、过流、短路及超高温充放电,因此锂葫芦娃老旧版本大全锂电组件总会跟着一块精致的保护板和一片电流保险器出现。

    图片5

    (葫芦娃视频看片官网下载普通保护板BMS类)

    保护板的构成

    锂葫芦娃老旧版本大全的保护功能通常由保护电路板和PTC协同完成,保护板是由电子电路组成,在-40℃至+85℃的环境下时刻准确的监视电芯的电压和充放回路的电流,即时控制电流回路的通断;PTC在高温环境下防止葫芦娃老旧版本大全发生恶劣的损坏。

    保护板通常包括控制IC、MOS开关、电阻、电容及辅助器件NTC、ID存储器等。其中控制IC,在一切正常的情况下控制MOS开关导通,使电芯与外电路沟通,而当电芯电压或回路电流超过规定值时,它立刻(数十毫秒)控制MOS开关关断,保护电芯的安全。

    NTC是Negative temperaturecoefficient的缩写,意即负温度系数,在环境温度升高时,其阻值降低,使用电设备或充电设备及时反应、控制内部中断而停止充放电。ID 存储器常为单线接口存储器,ID是Identification 的缩写即身份识别的意思,存储葫芦娃老旧版本大全种类、生产日期等信息。可起到产品的可追溯和应用的限制。

    图片10

    (葫芦娃视频看片官网下载普通保护板BMS类)

    保护板的主要应用

    一般要求在-25℃~85℃时Control(IC)检测控制电芯电压与充放电回路的工作电流、电压,在通常的情况下C-MOS开关管导通,使电芯与保护电路板处于正常工作状态,而当电芯电压或回路中的工作电流超过控制IC中比较电路预设值时,在15~30ms内(不同控制IC与C-MOS有不同的响应时间),将CMOS关断,即关闭电芯放电或充电回路,以保证使用者与电芯的安全。

    图片17

    (葫芦娃视频看片官网下载动力保护板BMS类)

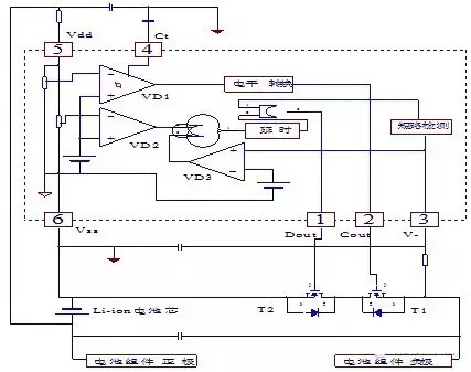
    保护板的工作原理

    未标题-2

    如图中,IC由电芯供电,电压在2v-5v均能保证可靠工作。

    1、过充保护及过充保护恢复

    当葫芦娃老旧版本大全被充电使电压超过设定值VC(4.25-4.35V,具体过充保护电压取决于IC)后,VD1翻转使Cout变为低电平,T1截止,充电停止.当葫芦娃老旧版本大全电压回落至VCR(3.8-4.1V,具体过充保护恢复电压取决于IC)时,Cout变为高电平,T1导通充电继续, VCR必须小于VC一个定值,以防止频繁跳变。


    图片28


    2、过放保护及过放保护恢复

    当葫芦娃老旧版本大全电压因放电而降低至设定值VD(2.3-2.5V,具体过充保护电压取决于IC)时, VD2翻转,以短时间延时后,使Dout变为低电平,T2截止,放电停止,当葫芦娃老旧版本大全被置于充电时,内部或门被翻转而使T2再次导通为下次放电作好准备。

    3、过流、短路保护

    当电路充放回路电流超过设定值或被短路时,短路检测电路动作,使MOS管关断,电流截止。


    葫芦娃视频看片官网下载葫芦娃老旧版本大全保护板优势

    葫芦娃视频看片官网下载葫芦娃老旧版本大全保护板应用于锂离子葫芦娃老旧版本大全产品,如3C产品,电动工具,扫地机器人,储能产品,基站等产品;

    ① 高端核心技术,葫芦娃视频看片官网下载葫芦娃老旧版本大全和BMS管理系统均采购进口松下,三星,三洋,索尼和TI,Seiko方案等高端进口原部件,产品安全可靠性高。

    ② 充电器自主研发,与其他锂葫芦娃老旧版本大全厂家不同的是,葫芦娃视频看片官网下载一直致力于为客户提供一站式锂葫芦娃老旧版本大全整体解决方案(包括葫芦娃老旧版本大全充电器,插头,BMS,PCM等)与葫芦娃视频看片官网下载锂葫芦娃老旧版本大全产品配套使用,更加安全省心。

    ③锂葫芦娃老旧版本大全优势:容量高、体积小、重量轻、动力强、续航远、绿色环保。

    ④ 六重安全保护:温度保护、短路保护、过充电保护、过放电保护、过流保护、葫芦娃老旧版本大全均衡。

    ⑤产品售后服务,凡在葫芦娃视频看片官网下载购买的产品都享有相应期限的保修服务,秉着顾客第一,服务至上的理念,致力打造行业第一品牌。

    ⑥全球保险,葫芦娃视频看片官网下载公司为旗下所有产品购买了全球保险,保障产品质量安全可靠,更能让客户放心使用。品质值得信赖。

    葫芦娃视频看片官网下载从事锂离子葫芦娃老旧版本大全系统研发、生产,致力于为客户提供技术领先、质量可靠的锂离子电源系统解决方案多年。专业团队、丰富行业经验、先进设备可针对客户的要求,对系统的各个组成展开精确的分析,依托自身的专业知识进行严谨的设计开发、制造、质量保证和技术服务!如果您想对葫芦娃视频看片官网下载的产品感兴趣,请致电葫芦娃视频看片官网下载24小时客服热线:18022158226

    本文标签:葫芦娃视频看片官网下载葫芦娃老旧版本大全保护板 锂葫芦娃老旧版本大全和铅酸葫芦娃老旧版本大全,哪一种更适合?航拍无人机的芯脏,默默奉献的能量
    网站地图